引脚功能+参数+工作原理+典型电路,一文带你搞懂 LM1875放大器
引脚功能+参数+工作原理+典型电路,一文带你搞懂 LM1875放大器
我是小七,干货满满。大家不要错过,建议收藏,错过就不一定找得到了,内容仅供参考,图片记得放大,观看。
如果有什么错误或者不对,请各位大佬多多指教。

图片来源于网络
今天给大家分享的是:LM1875 功放
一、LM1875 功放简介
LM1875 是一款宽功率放大器,具有极低的失真度和高品质效率。可以为4Ω或8Ω扬声器提供20W的输出功率,最大电流为4A。该 IC 通常用于高功率音频放大器设计。
过载时,其保护包括内部电流限制和热关断。其他特性包括高增益、快速转换速率和宽带宽、大输出电压摆幅、高电流能力以及非常宽的电源范围。

LM1875 功放实物图
二、LM1875功放引脚功能
LM1875是一个5 引脚放大器。引脚排列图如下:

LM1875功放引脚排列图
引脚1/同相输入:放大器的同相端(+)。引脚2/反相输入:放大器的反相端(-)。引脚3/V 型:接地引脚或负电源电压。引脚4/输出引脚:输出放大的信号。引脚5/Vss:正电源电压引脚。

LM1875功放引脚功能图
三、LM1875功放电气特性
1、LM1875 功放规格
高达 30 W/通道输出功率最大负载电阻:4 至 8 Ω最大输入偏置电流:2uA@±25VAvo 通常为 90 dB低谐波失真噪声:0.015% @ 1KHz @ 8 Ω @ 20 W最大输入失调电压:15mV@±25V宽功率带宽:70KHz高电流能力:4A最高工作温度:150°C最大供电电流:100mA@±25V宽供电范围:16V-60V

LM1875功放电气特性截图
LM1875数据手册:【LM1875 PDF数据手册】_中文资料_(友顺 UTC)-采芯网(点击蓝色字体阅读)
2、LM1875其他特征
94dB 纹波抑制典型增益带宽积 5.5MHz典型电源电流:±25V 时为 70mA交流和直流对地短路保护带释放电路的热保护。内部输出保护二极管。塑料电源封装:TO-220
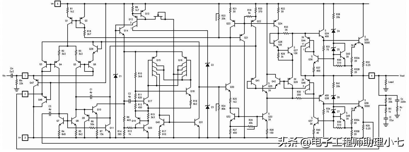
四、LM1875功放内部原理图
下面为LM1875功放内部原理图:

LM1875功放内部原理图
五、LM1875 功放选型替换
LM1875 的替代品: TDA2050
其他音频放大器: LM386、TDA1554、TDA2030、TDA7294、TDA7265、TDA7279、TDA2005
六、LM1875的 30W HiFi音频放大器电路
1、电路元器件清单

电路元器件清单
2、电路原理图
下面为LM1875的 30W HiFi音频放大器电路图,可以有至少10的稳定收益。

LM1875的 30W HiFi音频放大器电路图
3、工作原理
该电路采用单电压供电,IC 的功率会受到电源电压的影响。采用最大信号电源电压为60V,功率输出为30W,负载阻抗为8Ω。
R4 电阻控制输入阻抗,C1电容提供与IC内部放大器部分的连接。R1 和 C1控制输入信号的频率,而 R1 和 C2 将滤除来自电源的噪声,以保护输入免受噪声影响。
R5 和 R6 电阻以反馈模式接线,用于调节电路的增益。另一方面,R7和C5用于旁路或将高噪声频率传递到地面,以保证良好的声音输出质量。C6 耦合信号输出到负载。
七、LM1875 25WOCL音频放大器电路
下面为 LM1875 25WOCL音频放大器电路,该电路使用正电源、负电源和接地电源生成具有正负两半信号摇摆的音频信号。可以让声音十分清晰。

LM1875 25WOCL音频放大器电路
首先在输入引脚上施加信号。受限的音频信号将自动流经R3、C1、R2和R2。这时,记得减少或消除对地面的噪音。之后,将有一个非返回阶段,其中信号将继续进入 1C1 的输入引脚 1(非反相引脚),通过输出引脚4到达扬声器。接着,使用 R6 消除接地输出信号中的噪声。而集成电路的另一部分音频输出引脚4将通过R5 反馈到引脚2。电阻 R4 和 R5 决定升压速率。我们可以根据R5/R4计算。最后,C2 可以让电路获得更好的高频响应。
该电路提供最大 2A 的功率,为单声道放大器。如果你想要立体声,应该更换更大电流至 4A 的变压器,并且C6、C7均为4700uF 50V。
八、LM1875 OTL放大电路30W
下面为 LM1875OTL放大电路30W。

LM1875 OTL放大电路30W
电路原理
直流电源的电压范围为 16V 至 60V,可使用单电压和双电压。由于我们有一个单一的电压源,这里将使用它作为接地和正极。电源电压会反过来影响电源IC。例如,使用 50V 的直流电源会导致 IC 产生 25W 的功率。由于输出功率为 30W,电源电压为 60V,因此阻抗负载应为 8 Ω。除了 IC 中的保护系统之外,散热器也助于散发多余的热量。R4 电阻调节输入阻抗,并通过 C1 电容耦合到 IC1 内部的放大器部分。C2 用作噪声滤波器,限制通过输入的噪声。在电路图中信号特性是非反相输入信号。R1 和 C1 将设定输入信号的频率,通过R1、C2过滤来自电源的噪声(D耦合),以保护噪声通过输入。R6 和 R5 具有反馈形式连接,可调节电路的增益。 R5、R6 电阻均以反馈形式连接,起到调节电路增益的作用。R7 和 C5 用于旁路或通过高噪声频率接地。为了确保声音输出的质量提高。而 C6 耦合信号输出到输出(负载)则更具有良好音质,还可以保护直流电压泄漏到负载。
九、LM1875 功放应用领域
LM1875音频放大器常有以下应用;
级联音频扬声器伺服放大器仪器系统音频信号放大立体声留声机桥式放大器高功率放大分体/双电源

-
- 嫣红是《知否》原著中最悲惨的女子,堂堂嫡妻竟被曼娘害死了
-
2025-12-23 04:49:25
-
- 她被称为“南韩最美童星”,00后的郑多彬肤白貌美酷似徐璐
-
2025-12-23 04:47:11
-
- 重生在即!无锡这些烂尾项目正在努力盘活
-
2025-12-23 04:44:57
-
- 日本男生痴恋女同学的亲妈?差21岁仍勇敢结婚,女同学:我支持!
-
2025-12-23 04:42:42
-
- 娘炮文化的前世今生,当心中国被“去雄”
-
2025-12-23 04:40:27
-
- 教师节送老师礼物前十件排名,高段位送礼必看,平价显贵篇
-
2025-12-23 04:38:13
-
- 全国餐饮百强——半秋山西餐厅郑州首店亮相惠济万达广场
-
2025-12-23 04:35:59
-
- 雄兵连:天使彦高清绝美壁纸(三)
-
2025-12-22 14:28:59
-
- 安利公司回应蛋白粉转基因传闻:谣言止于智者
-
2025-12-22 14:26:45
-
- 通天之路:圣福天路
-
2025-12-22 14:24:30
-
- 苹果uncOver在线越狱已发布,无需电脑
-
2025-12-22 14:22:16
-
- 飘阿兮作品推荐:《过客匆匆》真的很经典
-
2025-12-22 14:20:02
-
- 不用手机号,也可以注册新的微信小号,特别简单,还有人不...
-
2025-12-22 14:17:47
-
- 8199元!华为MateX5价格跌破8200元 华为MateX6配置爆料 你会等吗?
-
2025-12-22 14:15:33
-
- 中老年最喜欢的微信头像
-
2025-12-22 14:13:18
-
- 张健海宽做建哥往事的初衷意义讲述
-
2025-12-22 14:11:04
-
- 水果店很挣钱吗?创新营销策略盈利
-
2025-12-22 14:08:50
-
- 武器百科,武器发展史手枪篇:林肯的归途
-
2025-12-22 14:06:35
-
- 调和油健不健康?好不好?
-
2025-12-22 14:04:21
-
- 上海由龙纹身,瑞兽麒麟纹身图案设计
-
2025-12-22 14:02:06



褚时健当年得罪了谁(褚时健是被谁害的话)
邱行湘老婆张玉珍生平 邱行湘将军之子邱晓辉
钱雁秋最新力作《神探狄仁杰6》卷土重来,张子健回归变反派
十位欧美健身男模,颜值和身材兼备,肌肉帅气十足
法官职务等级及工资揭秘,宝藏级信息
卓伟爆料圈内最干净的三位女星,颜值在线还零绯闻,没人质疑
非你莫属晕倒哥后续(非你莫属晕倒小伙)
中国最发达省份排名:江苏、福建、浙江居前
33年前,英雄徐良凭《血染的风采》家喻户晓,他现在怎样了