缁电鐧介厭鍝佺墝澶у叏_缁电 鐧介厭
缁电鐧介厭鍝佺墝澶у叏_缁电 鐧介厭
缁电鐧介厭鍝佺墝澶у叏銆嬶紝杩欐湰涔﹁缁嗕粙缁嶄簡鍥涘窛鐧介厭鐨勫巻鍙叉部闈┿€佷骇鍖哄垝鍒嗐€侀吙閫犲伐鑹恒€佸悕閰掔壒鑹层€佹枃鍖栧唴娑电瓑锛岃浜轰竴鐩簡鐒躲€傚湪杩欐湰涔︿腑锛屾垜浠彲浠ョ湅鍒板洓宸濆窛鐧介厭鐨勫彂灞曞巻绋嬶紝涔熷彲浠ョ湅鍒板洓宸濈櫧閰掔殑閰块€犲伐鑹猴紝杩樺彲浠ョ湅鍒板洓宸濈櫧閰掔殑鏂囧寲鍐呮兜銆傝繖鏈功涓嶄粎鏄竴鏈ソ涔︼紝鏇存槸涓€鏈ソ鏁欑涔︺€傚鏋滀綘鎯充簡瑙hВ鍥涘窛鐧介厭锛岄偅涔堣繖鏈功涓€瀹氫笉鑳介敊杩囥€傝繖鏈功鐨勫嚭鐗堬紝瀵逛簬鎺ㄥ姩鍥涘窛鐧介厭鐨勫彂灞曪紝鎻愬崌鍥涘窛鐧介厭鐨勭煡鍚嶅害锛屽叿鏈夐噸瑕佹剰涔夈€?/p>
涓€锛氱坏绔圭櫧閰掑搧鐗屽ぇ鍏ㄥ浘鐗?/strong>
鍦?0骞翠唬缁电澶ф洸琚О涓衡€滃窛瑗块厭鍧涗竴闇糕€濓紝宸濊タ骞冲師鍒板娴佹孩鐫€缁电澶ф洸閱変汉鐨勯Θ棣欍€備綔涓轰竴涓洓宸濅汉锛屼笖閰掕涓氬獟浣撲粠涓氳€咃紝涓虹坏绔瑰ぇ鏇查€愭笎娣″嚭浜轰滑瑙嗛噹鎰熷埌鎯嬫儨銆?/p>
缁电澶ф洸鍜屽墤鍗楁槬鏄悓涓€绉嶉厭銆傜坏绔瑰ぇ鏇蹭负鍓戝崡鏄ュ叾涓殑涓€涓郴鍒椼€?/p>
缁电澶ф洸鐨勬贰鍑哄拰鍓戝崡鏄ュ綋鍒濈殑鎴樼暐鏈夊叧銆傚綋鍒濓紝鑼呬簲鍓戠殑鏃朵唬锛屽墤鍗楁槬鍥犳病鏈夋定浠凤紝鍙嶈€岃鎷夊紑宸窛锛屼粠涓€绾块厭浼佷笂涓嬫潵浜嗐€?/p>
濡備粖鐨勭櫧閰掍竴涓帴涓€涓定浠凤紝涔熸槸鍥犱负鍦ㄧ櫧閰掕涓氭湁鐫€浠锋牸绔欎綅鐨勮娉曘€傚氨鏄紝鍒汉閮芥定锛屼綘涓嶆定锛屼綘灏变細鎺変笅鍘伙紝鑰屾秷璐硅€呬篃浼氳涓轰綘浠锋牸寰堜綆锛屾槸涓嶆槸閰掍笉濂斤紵
浣嗗氨涓汉涓轰汉锛屽苟涓嶆槸杩欐牱鐨勩€傚墤鍗楁槬鐨勪骇鍝佽繕鏄繃纭殑銆傝繎骞存潵锛屽墤鍗楁槬涔熷湪璋冩暣鑷繁鐨勫畾浣嶏紝鍑嗗鎻愬崌鑷繁鐨勫搧鐗屽舰璞★紝涔熷紑濮嬬瀵嗛厺閰跨坏绔瑰ぇ鏇茬殑鎴樼暐璋冩暣銆?/p>
灏遍潰鍓嶈€岃█锛岀坏绔瑰ぇ鏇插凡鎴愪负鍖哄煙鎬у搧鐗岋紝鍦ㄥ叏鍥藉競鍦轰笂寰堥毦瑙侊紝浣嗘槸鍦ㄥ洓宸濊繕鏄彲瑙佺殑銆傛墍浠ワ紝缁电澶ф洸渚濇棫鏄偅涓坏绔瑰ぇ鏇层€?/p>
涓汉鎰忚锛屽笇鏈涘浣犳湁甯姪銆?/p>
浜岋細缁电鐧介厭鍝佺墝澶у叏浠锋牸
42鍏冨乏鍙炽€備环鏍煎彉鍖栧お澶э紝浠ユ涓哄噯銆?/p>
涓嶅悓棣欏瀷鐨勪环鏍间笉鍚岋紝鍓戝崡娑叉祿棣欒繖涓害鏁板湪80涓€鐡躲€傚墤鍗楁槬鏄腑鍥戒紶缁熺櫧閰掑搧鐗岋紝浜т簬鍥涘窛鐪佺坏绔瑰競锛屼负鈥滅坏绔逛笁缁濃€濅箣涓€ 锛屽洜缁电鍦ㄥ攼浠e睘鍓戝崡閬擄紝鏁呯О鈥滃墤鍗楁槬鈥濄€傚叾涓昏鍘熸枡涓虹朝绫炽€佸ぇ绫炽€佺帀绫炽€佸皬楹︺€侀珮绮?銆佹按 銆備富瑕佷骇鍝佹湁鍓戝崡鏄ラ厭銆佺弽钘忕骇鍓戝崡鏄ャ€侀噾鍓戝崡銆佷笢鏂圭孩绛夈€?008骞?鏈堬紝鍓戝崡鏄ラ厭浼犵粺閰块€犳妧鑹哄叆閫夊浗瀹剁骇闈炵墿璐ㄦ枃鍖栭仐浜с€?018骞?鏈堬紝鍓戝崡鏄ヤ綅鍒楀浗闄呯粓鏋佺儓閰掓寫鎴樿禌涓浗鐧介厭浜у搧绗竴鍚嶏紝鑽h幏鏈€楂樺鈥滀富甯鏉€濄€傛墿灞曡祫鏂欙細鍓戝崡鏄ヤ富瑕佷骇鍝佷负鍓戝崡鏄ャ€佸墤鍗楅亾銆佸墤鍗楅唶銆侀摱鍓戝崡銆侀噾鍓戝崡銆佸墤鍗楀皧銆佸墤鍗楁恫銆佸墤鍗楃孩銆?014骞撮摱鍓戝崡缁ч噾鍓戝崡涔嬪悗琚墤鍗楁槬鏀剁紪涓哄绯绘鐗屽啗銆傞噾鍓戝崡鍜岄摱鍓戝崡鏇炬槸閲戝墤钀ラ攢鐨勪拱鏂粡钀ュ搧鐗岋紝浠?002骞翠笂甯傚綋骞翠究鍒涢€犱簡涓€涓攢閲忓杩广€傞噾鍓戝崡鍦ㄥ搧鐗屽拰甯傚満涓や釜灞傞潰涓婄殑浠峰€兼棩鐩婂嚫鏄撅紝杩欎负閲戝墤鍗楁鍚庘€滆鏀剁紪鈥濆瀹氫簡瀹㈣鍩虹銆備粠2012骞磋鏀剁紪鍚庯紝閲戝墤鍗楀欢缁簡楂樻垚闀挎€佸娍銆傚弬鑰冭祫鏂?/p>
涓夛細缁电鐧介厭鏈夊摢浜涘ソ鍠濈殑鍝佺墝
浠婂勾6鏈?鏃ワ紝鐢卞競鍦虹洃绠℃€诲眬銆佸浗瀹舵爣鍑嗙鐞嗗鍛樹細淇鍙戝竷鐨勩€婄櫧閰掑伐涓氭湳璇€嬪強銆婇ギ鏂欓厭鏈鍜屽垎绫汇€嬪浗瀹舵爣鍑嗭紙浠ヤ笅绠€绉版柊鍥芥爣锛夋寮忓疄鏂姐€?/p>
鏂板浗鏍囧疄鏂借繎涓€涓湀
甯傚満涓婇攢鍞殑鐧介厭鎯呭喌濡備綍
銆婁腑鍥芥秷璐硅€呮姤銆?/p>
璧拌璋冩煡

01 鑰佷骇鍝佷粛甯歌
鏂板浗鏍囨槑纭細
璋冮鐧介厭琚垝鍏ヨ皟鍒堕厭鍒嗙被锛屼笉绠楃櫧閰掞紱
娑叉€佹硶鐧介厭鍜屽浐娑叉硶鐧介厭涓嶅緱浣跨敤闈炶胺鐗╅鐢ㄩ厭绮惧拰椋熷搧娣诲姞鍓傘€?/p>
灏界鏂板浗鏍囩粰浜嗙櫧閰掍紒涓氫竴骞寸紦鍐叉湡锛屼絾
涓嶈繃锛?/p>
馃搷 鍖椾含鏈濋槼澶ф偊鍩庡湴涓嬭秴甯?/p>
馃嵍 鏍囩О娉稿窞鑰佺獤鑲′唤鏈夐檺鍏徃鍑哄搧鐨?019鐗堟掣宸炶€佺獤浜屾洸
馃敄 浜у搧鏍囩涓婃槑纭爣鏈夊惈椋熺敤棣欐枡鎴愬垎
馃搷 鍖椾含瀹氱搴勯檮杩戠殑鏌愯秴甯?/p>
馃嵍 鏍囩О鍥涘窛缁电鍓戝崡鏄ラ厭鍘傛湁闄愬叕鍙稿嚭鍝併€侀噰鐢ㄥ浐娑叉硶閰块€犵殑缁电澶ф洸
馃敄 鏍囩閰嶆枡琛ㄩ噷鏍囨敞鍚湁椋熺敤棣欐枡鎴愬垎
馃捇 鏌愮數鍟嗗钩鍙扮殑娉稿窞鑰佺獤鏃楄埌搴?/p>
馃嵍 澶氭鈥滆皟棣欑櫧閰掆€濆湪鍞崠锛屽52搴︾殑鑰佺獤閱囬銆佽€佺獤涓栧绯诲垪鐨勭簿鍝併€佺拃閽伙紝鑰佺獤绐栭閴磋棌瑁咃紝鑰佺獤钘忓搧绯诲垪鐨勫搧涔嬬銆佽棌涔嬮亾銆佸叡璧忕瓑浜у搧銆?/p>
鏂板浗鏍囧疄鏂藉悗涓轰綍璐寸潃鏃ф爣绛剧殑浜у搧浠嶇劧鍦ㄥ崠锛?/p>
涓浗椋熷搧鍙戦叺宸ヤ笟鐮旂┒闄㈤珮绾у伐绋嬪笀瀛熼晣
鍛婅瘔銆婁腑鍥芥秷璐硅€呮姤銆?p>灏界鏂板浗鏍囧疄鏂藉皢杩戜竴涓湀锛屼絾绾夸笅甯傚満浠嶉毦鍙戠幇6鏈?鏃ュ悗鐢熶骇鐨勭櫧閰掋€?/p>
鏃╁湪鍘诲勾锛屾掣宸炶€佺獤灏卞仠浜т簡鑰佷骇鍝佷簩鏇诧紝骞舵帹鍑虹函绮浐鎬佺殑榛戠洊浜屾洸閰掞紝閰嶆枡涓烘按銆侀珮绮便€佸皬楹︼紱
鐗涙爮灞遍厭鍘傚墠涓嶄箙鎺ㄥ嚭浜嗗熀浜庢柊鍥芥爣鐮斿埗鐨勫鍩烘牳蹇冧骇鍝佲€斺€旈噾鏍囬檲閰匡紱
绾㈡槦浜岄攨澶翠篃鍗囩骇澶氭浜у搧锛屼骇鍝佹爣绛句笂鏂板鈥滅函绮浐鎬佸彂閰碘€濇爣蹇椼€?/p>
鏂板浗鏍囧嚭鍙板悗锛屾寜浠ュ墠鍒朵綔宸ヨ壓鐢熶骇鐨勨€滆皟鍒堕厭鈥濊繕鍦ㄧ敓浜у拰閿€鍞悧锛?/p>
椤洪懌鍐滀笟璐熻矗浜哄畨鍏冭姖鍦ㄦ姇璧勮€呭钩鍙板洖澶?/p>
鏋濇睙鏃楄埌搴楀鏈嶅湪鍥炲
鎹簡瑙o紝鐩墠甯傚満涓婄殑璋冮鐧介厭绫讳骇鍝佷富瑕佷负浣庣鍏夌摱閰掋€備粠甯傚満鏉ョ湅锛屽厜鐡堕厭浠锋牸鍙垎涓轰綆涓珮涓夊ぇ绫伙紝鍗曚环鍒嗗埆涓?5鍏冧互涓嬨€?5-30鍏冧互鍙?0鍏冨強浠ヤ笂锛屼互10-50鍏冨眳澶氥€?/p>
03 鐧介厭娑堣垂鏇撮€忔槑
鍦ㄤ腑鍥介厭涓氬崗浼氱悊浜嬮暱瀹嬩功鐜夌湅鏉ワ細
鏂板浗鏍囦富瑕佺殑鏍稿績瀹氫箟鏄皢鍒嗙被瀹氫箟鍜屾秷璐硅€呯殑璁ょ煡楂樺害濂戝悎銆?/p>
渚嬪锛屾秷璐硅€呮櫘閬嶈鐭ョ殑鏄€滅伯椋熼厭鈥濓紝鍥犳鈥滄柊鍥芥爣鈥濆畾涔夆€滅櫧閰掆€濆繀椤讳互绮胺涓哄師鏂欙紝绮胺鍘熸枡鏄寚楂樼脖銆佸皬楹︺€佸ぇ楹︺€佽睂璞嗐€佸ぇ绫炽€侀潚绋炵瓑銆傚彟涓€涓牳蹇冨畾涔夋槸鈥滈潪娣诲姞鈥濓紝灏辨槸鈥滅櫧閰掆€濅笉鍏佽娣诲姞闈炶嚜韬彂閰典骇鐢熺殑鍛堥銆佸憟鍛充笌鎴愯壊鐗╄川銆?/p>
瀛熼晣琛ㄧず锛?/p>
浣跨敤闈炶胺鐗╅鐢ㄩ厭绮惧拰椋熷搧娣诲姞鍓傜殑鈥滅櫧閰掆€濆皢琚垝鍏モ€滈厤鍒堕厭鈥濆垎绫伙紝浠庡師鈥滅櫧閰掆€濆垎绫讳腑鍓旈櫎銆傛涓炬槸涓轰簡淇濇姢娑堣垂鑰呮潈鐩婏紝婊¤冻娑堣垂鑰呭浜庨珮鍝佽川鐨勮拷姹傘€?/p>
涓浗閰掍笟鏅哄簱涓撳钄″椋炲憡璇夈€婁腑鍥芥秷璐硅€呮姤銆?/p>
鐧介厭鏄鍛冲瀷楗搧锛屾秷璐硅€呭枬鎯簡涓€绉嶉厭锛屼細浜х敓鍙f劅銆佸搧璐ㄤ緷璧栧拰鍋忓ソ锛屼笉浼氬洜涓烘爣鍑嗙殑璋冩暣鑰屾斁寮冩煇涓€鍝佺墝锛屾柊鍥芥爣鏇村鐨勬槸瀵圭敓浜х鐨勮皟鏁淬€?/p>
鏂板浗鏍囧浜庨厭绫绘秷璐瑰叿鏈夊緢寮虹殑寮曞浣滅敤锛屼负娑堣垂鑰呴壌鍒伯椋熼厭鎻愪緵浜嗘洿澶氫緷鎹紝鐢氳嚦鍙互璇达紝鏂板浗鏍囩殑瀹炴柦灏嗕細鐩存帴甯︽潵鍥藉唴鐧介厭鏁翠綋鐨勫搧璐ㄦ彁鍗囷紝瑙勮寖浼佷笟缁忚惀锛涢棿鎺ヤ綔鐢ㄦ槸杩涗竴姝ユ帹楂樹簡鐧介厭閰块€犻棬妲涳紝鎻愬崌浜嗚涓氭暣浣撳彂灞曡川閲忋€?/p>
涓浗娑堣垂鑰呮姤鏂板獟浣?/p>
鐩戝埗/浣曟案楣?浠婚渿瀹?/p>The End
-
- 老婆死心了怎么挽回,如何挽回已经死心的老婆
-
2025-10-16 11:57:27
-
- 养生六字诀功法,心理养生八字诀是什么
-
2025-10-16 11:55:12
-
- 深圳市第三高级中学出国留学班 深圳市第三高级中学怎么样
-
2025-10-16 11:52:57
-
- 女性割礼到底是什么意思,印度的割礼什么意思
-
2025-10-16 07:19:16
-
- 白羊座女生真实脾气(经常会蹦出哭笑不得的词语)
-
2025-10-16 07:17:01
-
- 吸引力法则教你如何吸引喜欢的人
-
2025-10-16 07:14:47
-
- 啤酒是含什么起泡低什么的饮料酒(起泡酒和啤酒的区别)
-
2025-10-16 07:12:32
-
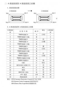
- 如何选择hdmi高清线(购买HDMI高清线建议)
-
2025-10-16 07:10:18
-
- 第一无赖女王(史上第一无赖女皇)
-
2025-10-16 07:08:03
-
- 托运猫的正确方法图解(托运送猫上不归路)
-
2025-10-16 07:05:48
-
- 表白把女生吓到了
-
2025-10-16 07:03:33
-
- 男生喜欢撩女生什么心理
-
2025-10-16 07:01:18
-
- 女人手表钢表带怎么戴?女性带钢带手表好看还是皮带手表好看
-
2025-10-16 06:59:03
-
- 圆脸男生发型,圆脸男生剪什么发型比较好看
-
2025-10-16 06:56:48
-
- 泽尻英龙华狼狈,日本美女泽尻英龙华太狼狈
-
2025-10-16 06:54:33
-
- 稻城亚丁在哪里(川西稻城亚丁在哪里)
-
2025-10-16 06:52:19
-
- 怎样避免和女生“一问一答式”的聊天?
-
2025-10-16 06:50:04
-
- 关于六一的手抄报四年级(关于六一的手抄报六年级)
-
2025-10-16 06:47:49
-
- 豌豆怎么做好吃(食用豌豆的四种方法分享)
-
2025-10-16 02:14:44
-
- MC是什么牌子的车
-
2025-10-16 02:12:30



雪燕吃起来有酸味正常吗 雪燕是什么味道
女生说哎什么意思 女生说哎呀是什么意思
小六子是什么梗 网络用语中央开空调是什么意思
结扎有补贴吗?结扎需自费
夫妻在别人家为什么不能睡一起?夫妻不能别人家同床睡
香烟保质期是多长时间 香烟放一年没拆还能抽吗
网络用语真实你是什么意思 网络用语gzy是什么意思
女生说七喜什么意思?女生说七喜暗示什么?
郑多燕小红帽减肥有用吗 郑多燕小红帽的作用
女生说我醉了什么意思?女生说喝多了怎么回复